产品分类
产品详情您的位置:首页 > 供应产品 > 拉压式柱式传感器 > 柱式传感器LF-605
 ![]()  | 
						
							
  | 
					
	
 
	
	
 
产品特点及用途:
	
力准传感提供的柱式传感器具有高精度、高动态响应、大量程、体积小等特点。不锈钢材料,小体积使得具有较小的偏心误差。
毫伏信号输出,我司可帮忙配置放大器,显示仪表等相配套设施。
本产品可适用于按键手感度测试仪,冷热压机压力检测,机械人手抓力等领域。
	
 
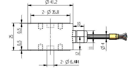
	产品量程及尺寸图纸:
 
	
	
 
	
 
	
 
	
产品主要的技术参数:
	
	 
	 
						量程  
					 
						Capacity 
					 
						0-1000kg 
					 
						材质  
					 
						Material 
					 
						不锈钢Stainless Steel 
					 
						输出灵敏度  
					 
						Rated Output 
					 
						2.0±10%mV/V 
					 
						输出电阻   
					 
						Output Impedance 
					 
						350± 3Ω 
					 
						零点输出   
					 
						Zero Balance 
					 
						± 2 % F.S. 
					 
						绝缘电阻  
					 
						Insulation 
					 
						≥5000MΩ/100VDC 
					 
						非线性  
					 
						Non-linearity 
					 
						0.1% F.S. 
					 
						使用电压  
					 
						Recommended Excitation 
					 
						5-10V 
					 
						滞后  
					 
						Hysteresis 
					 
						0.1% F.S. 
					 
						最大使用电压  
					 
						Maximum Excitation 
					 
						15V 
					 
						重复性  
					 
						Repeatability 
					 
						0.1% F.S. 
					 
						温度补偿范围 
					 
						Compensated Temp Range 
					 
						- 10 ~ 60 ℃ 
					 
						蠕变 (30分钟) 
					 
						Creep (30min) 
					 
						0.05% F.S. 
					 
						工作温度 范围  
					 
						Operating Temp  Range 
					 
						- 20 ~ 80℃ 
					 
						温度灵敏度漂移Temp Effect on Output 
					 
						0.05% F.S. / 10℃ 
					 
						安全超载  
					 
						Safe Load Limit 
					 
						150% 
					 
						零点温度漂移  
					 
						Temp Effect on Zero 
					 
						0.05% F.S. / 10℃ 
					 
						极限超载  
					 
						Ultimate Load Limit 
					 
						300% 
					 
						输入电阻  
					 
						Input Impedance 
					 
						385±5Ω 
					 
						电缆线尺寸  
					 
						Cable Size 
					 
						φ 3 x 3m 
					 
						电缆线连接方式 
					 
						Wire Connection 
					 
						Ex + : 红 Red;   Ex - : 黑 Black; Sig + : 绿 Green; Sig - : 白 White  
					
		
			
				 
			
					 
				
					 
				
					 
				
					 
			
				 
			
					 
				
					 
				
					 
				
					 
			
				 
			
					 
				
					 
				
					 
				
					 
			
				 
			
					 
				
					 
				
					 
				
					 
			
				 
			
					 
				
					 
				
					 
				
					 
			
				 
			
					 
				
					 
				
					 
				
					 
			
				 
			
					 
				
					 
				
					 
				
					 
			
				 
			
					 
				
					 
				
					 
				
					 
			
				 
			
					 
				
					 
				
					 
				
					 
			
				 
			
					 
				
					 
				
					 
				
					 
			
				 
		
	
					 
				
					 
			
 
	
注意事项:
1.传感器为拉压两用模式
2.安装时请注意两端的同轴度小于0.05
3.压式使用时可以一端是硬连接,另一端受力
4.拉式使用最好是软连接
	
 
其他信息:
如您有其他的需要,如量程、尺寸、安装位置、内置变送器等其他要求,请于我们联系,我们可为您量身定做。
也欢迎您来我司莅临指导。
	
	
	
	
上一条:变送器放大器价格LZ-701
下一条:微型压式传感器LFC-12
- 柱式传感器的分类有哪些2018-10-16
 - 柱式传感器和桥式传感器优缺点对比2018-10-12
 - 柱式称重传感器的特点缺点2018-09-12
 - 柱式传感器外形结构有哪些2018-06-22
 






