产品分类
产品详情您的位置:首页 > 供应产品 > 拉压式柱式传感器 > 柱式传感器LF-602
 ![]()  | 
						
							
  | 
					
	
 
	
	
产品特点及用途:
	
 
力准传感提供的柱式传感器具有高精度、高动态响应、体积小等特点。两端螺纹接口,可用于测试拉压力。
本产品主要应用于拉压力电子测力系统等领域。
	
 
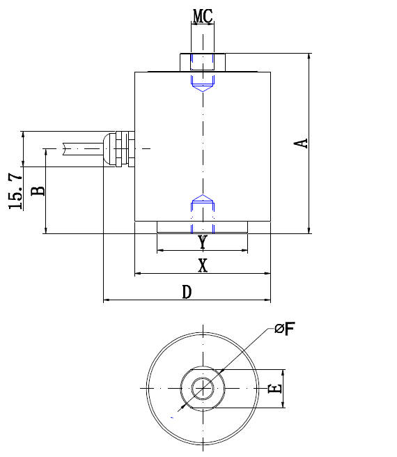
	产品量程及尺寸图纸:
 
	
 
	
 
	
| Range | A | B | C | D | E | F | X | Y | Weight | 
| 50/100/150/200/500kg | 80 | 37.5 | M10*1.5-6H | 74 | 20 | 17 | 60 | 40 | |
| 1000/2000/3000kg | 120 | 45 | M20*1.5-6H | 74 | 36 | 30 | 60 | 40 | 
	
 
产品主要的技术参数:
	
| 
					 量程 Capacity  | 
				
					 0--3000kg  | 
				
					 材质 Material  | 
				
					 铝合金/合金钢Aluminum/Stainless Steel  | 
			
| 
					 输出灵敏度 Rated Output  | 
				
					 2.0±10%mV/V  | 
				
					 输出电阻 Output Impedance  | 
				
					 350± 5Ω  | 
			
| 
					 零点输出 Zero Balance  | 
				
					 ± 2 % F.S.  | 
				
					 绝缘电阻 Insulation  | 
				
					 ≥5000MΩ/100VDC  | 
			
| 
					 非线性 Non-linearity  | 
				
					 0.05% F.S.  | 
				
					 使用电压 Recommended Excitation  | 
				
					 5-10V  | 
			
| 
					 滞后 Hysteresis  | 
				
					 0.05% F.S.  | 
				
					 最大使用电压 Maximum Excitation  | 
				
					 15V  | 
			
| 
					 重复性 Repeatability  | 
				
					 0.05% F.S.  | 
				
					 温度补偿范围 Compensated Temp Range  | 
				
					 - 10 ~ 60℃  | 
			
| 
					 蠕变 (30分钟)Creep (30min)  | 
				
					 0.05% F.S.  | 
				
					 工作温度 范围 Operating Temp Range  | 
				
					 - 20 ~ 80 ℃  | 
			
| 
					 温度灵敏度漂移Temp Effect on Output  | 
				
					 0.05% F.S. / 10℃  | 
				
					 安全超载 Safe Load Limit  | 
				
					 120%  | 
			
| 
					 零点温度漂移 Temp Effect on Zero  | 
				
					 0.05% F.S. / 10℃  | 
				
					 极限超载 Ultimate Load Limit  | 
				
					 200%  | 
			
| 
					 输入电阻 Input Impedance  | 
				
					 385±15Ω  | 
				
					 电缆线尺寸 Cable Size  | 
				
					 φ 5x 3m  | 
			
| 
					 TEDS 可选  | 
				
					 
						  | 
			||
其他信息:
	
 
如您有其他的需要,如量程、尺寸、安装位置、内置变送器等其他要求,请于我们联系,我们可为您量身定做。
也欢迎您来我司莅临指导。
	
	
	
上一条:变送器放大器LZ-700
下一条:微型压式传感器LFC-10
- 柱式传感器的分类有哪些2018-10-16
 - 柱式传感器和桥式传感器优缺点对比2018-10-12
 - 柱式称重传感器的特点缺点2018-09-12
 - 柱式传感器外形结构有哪些2018-06-22
 





