产品分类
产品详情您的位置:首页 > 供应产品 > 拉压式柱式传感器 > 柱式传感器LF-602A
 ![]()  | 
						
							
  | 
					
	
 
产品特点及用途:
力准传感提供的柱式传感器具有高精度、高动态响应、体积小等特点。两端螺纹接口,可用于测试拉压力。
	
本产品可试用于拉压力电子测力系统等领域。
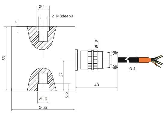
产品量程及尺寸图纸:
	
	
 
	
	
 
产品主要的技术参数:
| 
				 量程 Capacity  | 
			
				 0-5/10/20/30kg  | 
			
				 材质 Material  | 
			
				 铝合金Aluminum  | 
		
| 
				 输出灵敏度 Rated Output  | 
			
				 2.0±10%mV/V  | 
			
				 输出电阻 Output Impedance  | 
			
				 350± 5Ω  | 
		
| 
				 零点输出 Zero Balance  | 
			
				 ± 2 % F.S.  | 
			
				 绝缘电阻 Insulation  | 
			
				 ≥5000MΩ/100VDC  | 
		
| 
				 非线性 Non-linearity  | 
			
				 0.05% F.S.  | 
			
				 使用电压 Recommended Excitation  | 
			
				 10V  | 
		
| 
				 滞后 Hysteresis  | 
			
				 0.05% F.S.  | 
			
				 最大使用电压 Maximum Excitation  | 
			
				 15V  | 
		
| 
				 重复性 Repeatability  | 
			
				 0.05% F.S.  | 
			
				 温度补偿范围 Compensated Temp Range  | 
			
				 - 10 ~ 60 ℃  | 
		
| 
				 蠕变 (30分钟) Creep (30min)  | 
			
				 0.05% F.S.  | 
			
				 工作温度 范围 Operating Temp Range  | 
			
				 - 20 ~ 80 ℃  | 
		
| 
				 温度灵敏度漂移Temp Effect on Output  | 
			
				 0.05% F.S. / 10℃  | 
			
				 安全超载 Safe Load Limit  | 
			
				 120%  | 
		
| 
				 零点温度漂移 Temp Effect on Zero  | 
			
				 0.05% F.S. / 10℃  | 
			
				 极限超载 Ultimate Load Limit  | 
			
				 150%  | 
		
| 
				 输入电阻 Input Impedance  | 
			
				 410±30Ω  | 
			
				 电缆线尺寸 Cable Size  | 
			
				 φ 4x 3m  | 
		
| 
				 电缆线连接方式Wire Connection  | 
			
				 Ex + :Pin1 红 Red; Ex - : Pin2黑 Black; Sig + : Pin3绿 Green; Sig - : Pin4白 White  | 
		||
其他信息:
如您有其他的需要,如量程、尺寸、安装位置、内置变送器等其他要求,请于我们联系,我们可为您量身定做。
也欢迎您来我司莅临指导。
上一条:微型拉式传感器LFT-13B
下一条:变送器放大器LZ-700A
- 柱式传感器的分类有哪些2018-10-16
 - 柱式传感器和桥式传感器优缺点对比2018-10-12
 - 柱式称重传感器的特点缺点2018-09-12
 - 柱式传感器外形结构有哪些2018-06-22
 





