产品分类
产品详情您的位置:首页 > 供应产品 > 拉压式柱式传感器 > 柱式传感器LF-605B
 ![]()  | 
						
							
  | 
					
	
 
	
	
 
产品特点及用途:
力准传感提供的柱式传感器具有高精度、高动态响应、体积小等特点。两端有螺纹孔,便于安装。
本产品是由我司自助生产,铂丝应变计、禁锢螺母出线方便拆卸,能适应各种环境。
毫伏信号输出,我司可帮忙配置放大器,显示仪表,出厂前也会完成校准并提供测试报告。
本产品可试用于按键手感度测试仪,冷热压机测试仪,机器人手抓力等安装空间小的力值领域。
	
 
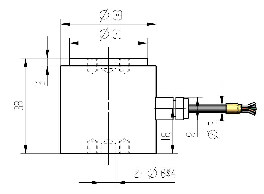
	产品量程及尺寸图纸:
 
	
	
 
	
 
	
	
	
产品主要的技术参数:
	
 
| 
					 量程 Capacity  | 
				
					 0~5kg,10kg,20kg,30kg,50kg,100kg  | 
				
					 材质 Material  | 
				
					 不锈钢Stainless Steel  | 
			
| 
					 输出灵敏度 Rated Output  | 
				
					 2.0±10%mV/V  | 
				
					 输出电阻 Output Impedance  | 
				
					 350± 3Ω  | 
			
| 
					 零点输出 Zero Balance  | 
				
					 ± 2 % F.S.  | 
				
					 绝缘电阻 Insulation  | 
				
					 ≥5000MΩ/100VDC  | 
			
| 
					 非线性 Non-linearity  | 
				
					 0.05% F.S.  | 
				
					 使用电压 Recommended Excitation  | 
				
					 5-10V  | 
			
| 
					 滞后 Hysteresis  | 
				
					 0.05% F.S.  | 
				
					 最大使用电压 Maximum Excitation  | 
				
					 15V  | 
			
| 
					 重复性 Repeatability  | 
				
					 0.05% F.S.  | 
				
					 温度补偿范围 Compensated Temp Range  | 
				
					 - 10 ~ 60℃  | 
			
| 
					 蠕变 (30分钟)Creep (30min)  | 
				
					 0.05% F.S.  | 
				
					 工作温度 范围 Operating Temp Range  | 
				
					 - 20 ~ 80 ℃  | 
			
| 
					 温度灵敏度漂移Temp Effect on Output  | 
				
					 0.05% F.S. / 10℃  | 
				
					 安全超载 Safe Load Limit  | 
				
					 150%  | 
			
| 
					 零点温度漂移 Temp Effect on Zero  | 
				
					 0.05% F.S. / 10℃  | 
				
					 极限超载 Ultimate Load Limit  | 
				
					 300%  | 
			
| 
					 输入电阻 Input Impedance  | 
				
					 350Ω  | 
				
					 电缆线尺寸 Cable Size  | 
				
					 φ 3x 3m  | 
			
| 
					 TEDS 可选  | 
				
					 
						  | 
			||
	
注意事项:
	
1.传感器为拉压两用模式
2.安装时请注意两端的同轴度小于0.05
3.压式使用时可以一端是硬连接,另一端受力
4.拉式使用最好是软连接
	
	
其他信息:
如您有其他的需要,如量程、尺寸、安装位置、内置变送器等其他要求,请于我们联系,我们可为您量身定做。
也欢迎您来我司莅临指导。
	
	
上一条:多通道智能变送器L800型
下一条:轮辐压式传感器LFC-181
- 柱式传感器的分类有哪些2018-10-16
 - 柱式传感器和桥式传感器优缺点对比2018-10-12
 - 柱式称重传感器的特点缺点2018-09-12
 - 柱式传感器外形结构有哪些2018-06-22
 






