产品分类
产品详情您的位置:首页 > 供应产品 > 平板式测力传感器 > 平板式测力传感器LFQ-W100
 ![]()  | 
						
							
  | 
					
	
 
	
产品特点及用途:
	
不锈钢材料,毫伏信号输出,后端可配置放大器,显示仪表等相配套设备。
本产品主要应用于受力面积大等压装设备,如手机电池滚压、手机装配等。
	
 
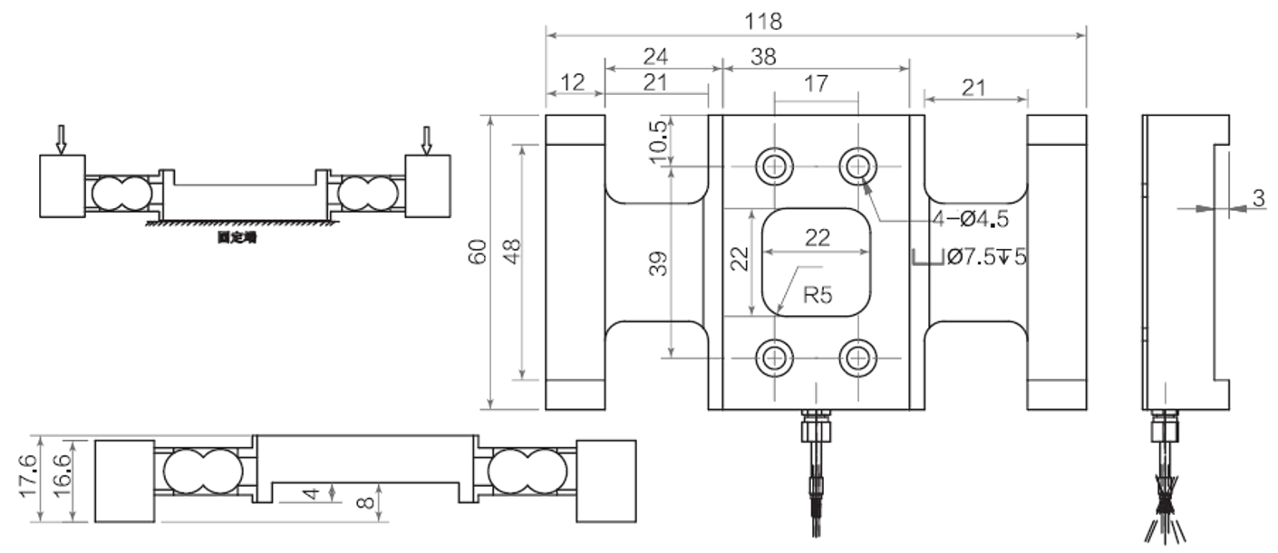
	产品尺寸图:
 
	
	
	
	
 
	
产品主要的技术参数:
	
| 
				 量程 Capacity  | 
			
				 0- 10, 20, 30, 50, 100kg  | 
			
				 材质 Material  | 
			
				 不锈钢 Stainless Steel  | 
		
| 
				 输出灵敏度 Rated Output  | 
			
				 2.0 ±10%mV/V  | 
			
				 综合精度 Total Accuracy  | 
			
				 0.1%F.S.  | 
		
| 
				 零点输出 Zero Balance  | 
			
				 ± 2 % F.S.  | 
			
				 绝缘电阻 Insulation  | 
			
				 ≥5000MΩ/100VDC  | 
		
| 
				 非线性 Non-linearity  | 
			
				 0.05% F.S.  | 
			
				 使用电压 Recommended Excitation  | 
			
				 3-10V  | 
		
| 
				 滞后 Hysteresis  | 
			
				 0.05% F.S.  | 
			
				 响应频率 Frequency  | 
			
				 600 Hz  | 
		
| 
				 重复性 Repeatability  | 
			
				 0.05% F.S.  | 
			
				 温度补偿范围 Compensated Temp Range  | 
			
				 - 10 ~ 60 ℃  | 
		
| 
				 蠕变 (30分钟) Creep (30min)  | 
			
				 0.05% F.S.  | 
			
				 工作温度 范围 Operating Temp Range  | 
			
				 - 20 ~ 80℃  | 
		
| 
				 温度灵敏度漂移Temp Effect on Output  | 
			
				 0.05% F.S. / 10℃  | 
			
				 安全超载 Safe Load Limit  | 
			
				 150%  | 
		
| 
				 零点温度漂移 Temp Effect on Zero  | 
			
				 0.05% F.S. / 10℃  | 
			
				 极限超载 Ultimate Load Limit  | 
			
				 200%  | 
		
| 
				 输入/输出电阻 Input Impedance  | 
			
				 750±10Ω/700± 3Ω  | 
			
				 电缆线尺寸 Cable Size  | 
			
				 φ3 x 3m  | 
		
| 
				 电缆线连接方式 Wire Connection  | 
			
				 Ex + : 红 Red; Ex - : 黑 Black; Sig + : 绿 Green; Sig - : 白 White  | 
		||
TEDS可选 TEDS available
其他信息:
	
如您有其他的需要,如量程、尺寸、安装位置、内置变送器等其他要求,请于我们联系,我们可为您量身定做。
也欢迎您来我司莅临指导。
上一条:微应变式测力传感器LFQ-40P
下一条:平板式测力传感器LFC-150
- 都有哪些测力的传感器?原理是什么?2020-08-24
 - 传感器在机械工程中的应用2020-08-24
 - 拉压力传感器检测系统的干扰来源及应对措施2020-08-10
 - CMM东莞电子展倒计时3天2020-07-06
 






