产品分类
产品详情您的位置:首页 > 供应产品 > 动态扭矩传感器 > 动态扭矩传感器LT-110
 ![]()  | 
						
							
  | 
					
动态扭矩传感器 LT-110
	
 
	
	
产品特点及用途:
	
检测电动机、内燃机等旋转动力设备,输出扭矩及功率;检测各种机械加工中心、自动机床的工作过程中的扭矩;检测各种旋转动力设备系统所传递的扭矩及效率;可用于制造粘度计、电动、气动、液力扭力扳手。
	
	
	
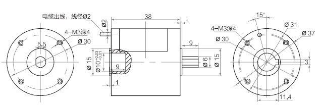
	产品尺寸:
 
	
 
	
产品主要的技术参数:
	
| 
				 量程 Capacity  | 
			
				 0 ~ 1,2,3,5NM  | 
			
				 材质 Material  | 
			
				 铝 Aluminum  | 
		
| 
				 输出灵敏度 Rated Output  | 
			
				 1.0~1.5 mV/V  | 
			
				 综合精度 Total Accuracy  | 
			
				 0.5% F.S.  | 
		
| 
				 零点输出 Zero Balance  | 
			
				 ± 2 % F.S.  | 
			
				 绝缘电阻 Insulation  | 
			
				 ≥5000MΩ/100VDC  | 
		
| 
				 非线性 Non-linearity  | 
			
				 0.1% F.S.  | 
			
				 使用电压 Recommended Excitation  | 
			
				 3~10V  | 
		
| 
				 滞后 Hysteresis  | 
			
				 0.1% F.S.  | 
			最高转速 RPM | 1800 RM | 
| 
				 重复性 Repeatability  | 
			
				 0.1% F.S.  | 
			
				 温度补偿范围 Compensated Temp Range  | 
			
				 - 10 ~ 60 ℃  | 
		
| 
				 蠕变 (30分钟)Creep (30min)  | 
			
				 0.03% F.S.  | 
			
				 工作温度 范围 Operating Temp Range  | 
			
				 - 20 ~ 80 ℃  | 
		
| 
				 温度灵敏度漂移Temp Effect on Output  | 
			
				 0.05% F.S. / 10℃  | 
			
				 安全超载 Safe Load Limit  | 
			
				 120%  | 
		
| 
				 零点温度漂移 Temp Effect on Zero  | 
			
				 0.05% F.S. / 10℃  | 
			
				 极限超载 Ultimate Load Limit  | 
			
				 200%  | 
		
| 
				 输入/输出电阻 Input/Output Impedance  | 
			
				 410 ± 10Ω / 350 ± 3Ω  | 
			
				 电缆线尺寸 Cable Size  | 
			
				 φ2 x 3m  | 
		
| 
				 电缆线连接方式Wire Connection  | 
			
				 Ex + : 红 Red; Ex - : 黑 Black; Sig + : 绿 Green; Sig - : 白 White  | 
		||
	
TEDS可选
其他信息:
如您有其他的需要,如量程、尺寸、安装位置、内置变送器等其他要求,请于我们联系,我们可为您量身定做。
也欢迎您来我司莅临指导。
上一条:动态扭矩传感器 LT-110A
下一条:静态扭矩传感器LT-60
- 都有哪些测力的传感器?原理是什么?2020-08-24
 - 传感器在机械工程中的应用2020-08-24
 - 拉压力传感器检测系统的干扰来源及应对措施2020-08-10
 - CMM东莞电子展倒计时3天2020-07-06
 






