产品分类
产品详情您的位置:首页 > 供应产品 > 微型压式测力传感器 > 微型压式传感器LFC-150
 ![]()  | 
						
							
  | 
					
	
 
产品特点及用途:
主要应用于: 试验机、压装机、油压机、冷热压机、电子吊钩秤料斗秤等各类电子称重设备和拉压力检测设备
	
 
Mainly applied in tension and compression testing instruments and all kinds of weighing scales, such as testing instruments, press machine, hydraulic press machine, hopper scales, electronic lifting hook scales, cold & hot lamination machine, and etc.
	
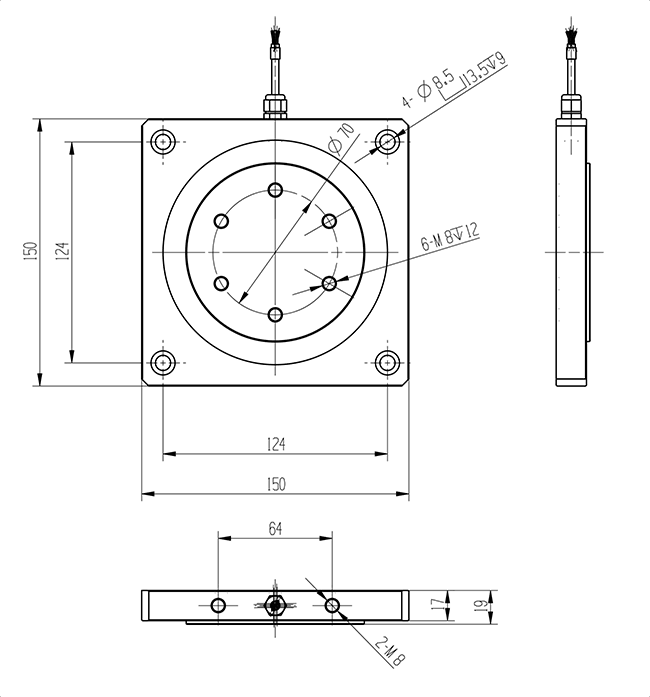
产品量程及尺寸图纸:
	 
 
产品主要的技术参数:
	   
 
	
上一条:单点式传感器LFP-16
下一条:多轴力传感器LF-303M-60
发布时间:2018-10-24 0:00:00
		
			相关新闻
		
		- 轮辐式称重传感器的应用2018-05-24
 - 轮辐式称重传感器的工作原理及结构2018-04-24
 
			相关产品
		
		
		
		
		






