产品分类
产品详情您的位置:首页 > 供应产品 > 微型压式测力传感器 > 微型压力传感器LFC-2B
 ![]()  | 
						
							
  | 
					
	
 
LFC-2B微型压力传感器拥有车轮式内部结构,底部有四个螺纹孔方便安装。不锈钢材料,使其具有良好的稳定性,线性可达0.05%F.S.
本产品一般适合于较大量程使用,禁锢螺母出线,内部胶水密封具有高等级的防水性能。多用于试验机、汽车衡、料斗秤、仓储称、工业测试系统等领域。
	
 
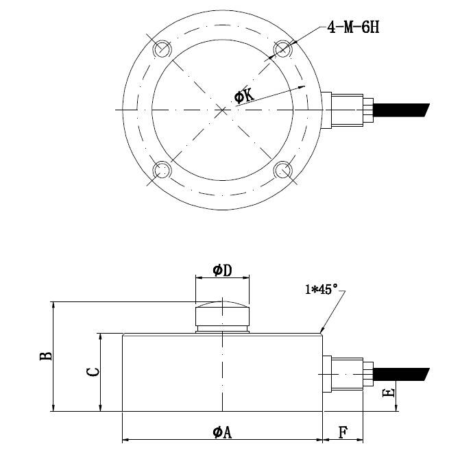
	产品量程及尺寸图纸:
 
	
 
	
 
	 
	
		
			
				 
			
					量程(t)
				 
				
					A
				 
				
					B
				 
				
					C
				 
				
					D
				 
				
					E
				 
				
					F
				 
				
					K
				 
				
					M
				 
				
					Weight
				 
			
				 
			
					0.25-10
				 
				
					80
				 
				
					44
				 
				
					32
				 
				
					22
				 
				
					14
				 
				
					14
				 
				
					68
				 
				
					M8
				 
				
				 
			
				 
			
					15-20
				 
				
					100
				 
				
					48
				 
				
					36
				 
				
					28
				 
				
					14
				 
				
					14
				 
				
					80
				 
				
					M8
				 
				
				 
			
				 
			
					30
				 
				
					126
				 
				
					54
				 
				
					40
				 
				
					35
				 
				
					14
				 
				
					14
				 
				
					101
				 
				
					M10
				 
				
				 
			
				 
		
	
					50-100
				 
				
					165
				 
				
					80
				 
				
					62
				 
				
					60
				 
				
					26
				 
				
					14
				 
				
					136
				 
				
					M12
				 
				
				 
			
 
产品主要的技术参数:
	
 
	 
	 
						量程 Capacity 
					 
						0-100t 
					 
						材质 Material 
					 
						不锈钢Stainless Steel 
					 
						输出灵敏度 Rated Output 
					 
						2.0±10%mV/V 
					 
						输出电阻  Output Impedance 
					 
						700± 3Ω 
					 
						零点输出  Zero Balance 
					 
						± 2%F.S. 
					 
						绝缘电阻  Insulation 
					 
						≥5000MΩ/100VDC 
					 
						非线性 Non-linearity 
					 
						0.1%F.S. 
					 
						使用电压 Recommended Excitation 
					 
						5-10V 
					 
						滞后 Hysteresis 
					 
						0.1%F.S. 
					 
						最大使用电压 Maximum Excitation 
					 
						15V 
					 
						重复性 
					 
						Repeatability 
					 
						0.1%F.S. 
					 
						温度补偿 
					 
						 Compensated Temp Range 
					 
						-10~60 ℃ 
					 
						蠕变 (30分钟) 
					 
						Creep (30min) 
					 
						0.05%F.S. 
					 
						工作温度 范 
					 
						 Operating Temp  Range 
					 
						-20~80 ℃ 
					 
						温度灵敏度漂移Temp Effect on Output 
					 
						0.05%F.S./10℃ 
					 
						安全超载  
					 
						Safe Load Limit 
					 
						120% 
					 
						零点温度漂移  
					 
						Temp Effect on Zero 
					 
						0.05%F.S./10℃ 
					 
						极限超载 
					 
						 Ultimate Load Limit 
					 
						150% 
					 
						输入电阻 
					 
						 Input Impedance 
					 
						750±5Ω 
					 
						电缆线尺寸 Cable Size 
					 
						φ 5x 3m 
					 
						电缆线连接方式 
					 
						Wire Connection 
					 
						Ex + : 红 Red;   Ex - : 黑 Black; Sig + : 绿 Green; Sig - : 白 White  
					
		
			
				 
			
					 
				
					 
				
					 
				
					 
			
				 
			
					 
				
					 
				
					 
				
					 
			
				 
			
					 
				
					 
				
					 
				
					 
			
				 
			
					 
				
					 
				
					 
				
					 
			
				 
			
					 
				
					 
				
					 
				
					 
			
				 
			
					 
				
					 
				
					 
				
					 
			
				 
			
					 
				
					 
				
					 
				
					 
			
				 
			
					 
				
					 
				
					 
				
					 
			
				 
			
					 
				
					 
				
					 
				
					 
			
				 
			
					 
				
					 
				
					 
				
					 
			
				 
		
	
					 
				
					 
			
 
	其他信息:
 
	
 
如您有其他的需要,如量程、尺寸、安装位置、内置变送器等其他要求,请于我们联系,我们可为您量身定做。
也欢迎您来我司莅临指导。
	
上一条:S型传感器LFS-01B
下一条:压力传感器变送器LP-9T
- 轮辐式称重传感器的特点及优缺点分析2018-09-12
 - 轮辐式称重传感器2018-04-28
 - 轮辐式传感器生产厂家2017-12-18
 - 轮辐式传感器安装方法2017-11-24
 





