产品分类
产品详情您的位置:首页 > 供应产品 > 轴销传感器 > 轴销传感器LF-39
 ![]()  | 
						
							
  | 
					
轴销传感器LF-39
	
 
	
	
	
产品特点及用途:
	
 
不锈钢材料,悬臂式双剪切式结构,可内置放大器,模拟量输出4-20mA,0~5V,0~10V
应用:塔机,吊车装载销轴部分,代替销轴的作用,防止超载,机器在使用过程中安全监测。
	
 
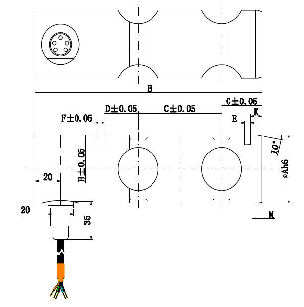
	产品量程及尺寸图纸:
 
	
 
	
 
	
 
	 
	
		
			
				 
			
					Range(t)
				 
				
					A
				 
				
					B
				 
				
					C
				 
				
					D
				 
				
					E
				 
				
					F
				 
				
					G
				 
				
					H
				 
				
					K
				 
				
					M
				 
				
					Weight
				 
			
				 
			
					2,3,5
				 
				
					50
				 
				
					180
				 
				
					66
				 
				
					27
				 
				
					4.5
				 
				
					6.5
				 
				
					32
				 
				
					7
				 
				
					9
				 
				
					3
				 
				
				 
			
				 
			
					7,10,
				 
				
					60
				 
				
					190
				 
				
					96
				 
				
					14
				 
				
					10
				 
				
					9
				 
				
					33
				 
				
					9
				 
				
					9
				 
				
					5
				 
				
				 
			
				 
			
					10,15
				 
				
					65
				 
				
					210
				 
				
					116
				 
				
					14
				 
				
					10
				 
				
					9
				 
				
					32
				 
				
					9
				 
				
					8
				 
				
					5
				 
				
				 
			
				 
			
					20,30
				 
				
					80
				 
				
					225
				 
				
					109
				 
				
					20
				 
				
					12
				 
				
					11
				 
				
					40
				 
				
					10
				 
				
					8
				 
				
					6
				 
				
				 
			
				 
		
	
					40,50,100 
				 
				
					120
				 
				
					275
				 
				
					153
				 
				
					25
				 
				
					14
				 
				
					13
				 
				
					51
				 
				
					15
				 
				
					12
				 
				
					6
				 
				
				 
			
 
产品主要的技术参数:
	
 
	 
	 
						量程 Capacity 
					 
						0~2,3,5,7,10,20,30,40,50,100t 
					 
						材质 Material 
					 
						不锈钢Stainless Steel 
					 
						输出灵敏度 Rated Output 
					 
						1.0±10%mV/V 
					 
						输出电 
					 
						350 or 700± 3Ω 
					 
						零点输出  Zero Balance 
					 
						± 2 % F.S. 
					 
						绝缘电阻  Insulation 
					 
						≥5000MΩ/100VDC 
					 
						非线性 Non-linearity 
					 
						0.5% F.S. 
					 
						使用电压 Recommended Excitation 
					 
						5-10V 
					 
						滞后 Hysteresis 
					 
						0.5% F.S. 
					 
						最大使用电压 Maximum Excitation 
					 
						15V 
					 
						重复性  
					 
						Repeatability 
					 
						0.5% F.S. 
					 
						温度补偿范围  
					 
						Compensated Temp Range 
					 
						- 10 ~ 60 ℃ 
					 
						蠕变 (30分钟) 
					 
						Creep (30min) 
					 
						0.5% F.S. 
					 
						工作温度 范围  
					 
						Operating Temp  Range 
					 
						- 20 ~ 80℃ 
					 
						温度灵敏度漂移Temp Effect on Output 
					 
						0.05% F.S. / 10℃ 
					 
						安全超载  
					 
						Safe Load Limit 
					 
						150% 
					 
						零点温度漂移  
					 
						Temp Effect on Zero 
					 
						0.05% F.S. / 10℃ 
					 
						极限超载  
					 
						Ultimate Load Limit 
					 
						300% 
					 
						输入电阻 Input Impedance 
					 
						750±5Ω 
					 
						电缆线尺寸 Cable Size 
					 
						φ5x 3m 
					 
						TEDS 可选 
					 
						
		
			
				 
			
					 
				
					 
				
					 
				
					 
			
				 
			
					 
				
					 
				
					 
				
					 
			
				 
			
					 
				
					 
				
					 
				
					 
			
				 
			
					 
				
					 
				
					 
				
					 
			
				 
			
					 
				
					 
				
					 
				
					 
			
				 
			
					 
				
					 
				
					 
				
					 
			
				 
			
					 
				
					 
				
					 
				
					 
			
				 
			
					 
				
					 
				
					 
				
					 
			
				 
			
					 
				
					 
				
					 
				
					 
			
				 
			
					 
				
					 
				
					 
				
					 
			
				 
		
	
					 
				
					 
			
					
 
其他信息:
如您有其他的需要,如量程、尺寸、安装位置、内置变送器等其他要求,请于我们联系,我们可为您量身定做。
也欢迎您来我司莅临指导。
上一条:轴销传感器LF-57
下一条:踏板力传感器LFB
- 轴销式称重传感器2018-10-08
 - 轴销传感器用于起重设备防过载保护2018-05-29
 - 轴销传感器用于滑轮防过载保护2018-05-29
 - 轴销传感器生产厂家2017-12-16
 





