产品分类
产品详情您的位置:首页 > 供应产品 > 静态扭矩传感器 > 扭矩传感器LT-02
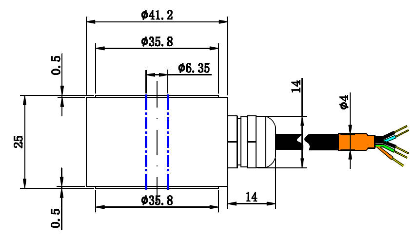
 ![]()  | 
						
							
  | 
					
	
 
	
产品特点及用途:
	
 
体积小巧,法兰式结构安装方便
不锈钢或者铝合金材质,精度高,稳定性能好,静态扭力测试仪器,扭力扳手测试设备
	
	
	
产品量程及尺寸图纸:
	
 
	
 
	
 
	
 
	
 
	
 
	产品主要的技术参数:
 
	
 
	 
	 
						量程 Capacity 
					 
						0-100NM 
					 
						材质 Material 
					 
						铝合金/不锈钢Aluminum/ Stainless steel  
					 
						输出灵敏度 Rated Output 
					 
						2.0±10%mV/V 
					 
						输出电阻  Output Impedance 
					 
						350± 3Ω 
					 
						零点输出  Zero Balance 
					 
						± 2 % F.S. 
					 
						绝缘电阻  Insulation 
					 
						≥5000MΩ/100VDC 
					 
						非线性 Non-linearity 
					 
						0.1% F.S. 
					 
						使用电压 Recommended Excitation 
					 
						5-10V 
					 
						滞后 Hysteresis 
					 
						0.1% F.S. 
					 
						最大使用电压 Maximum Excitation 
					 
						15V 
					 
						重复性  
					 
						Repeatability 
					 
						0.1% F.S. 
					 
						温度补偿范围  
					 
						Compensated Temp Range 
					 
						- 10 ~ 60 ℃ 
					 
						蠕变 (30分钟) 
					 
						Creep (30min) 
					 
						0.1% F.S. 
					 
						工作温度 范围  
					 
						Operating Temp  Range 
					 
						- 20 ~ 80 ℃ 
					 
						温度灵敏度漂移Temp Effect on Output 
					 
						0.05% F.S. / 10℃ 
					 
						安全超载  
					 
						Safe Load Limit 
					 
						150% 
					 
						零点温度漂移  
					 
						Temp Effect on Zero 
					 
						0.05% F.S. / 10℃ 
					 
						极限超载  
					 
						Ultimate Load Limit 
					 
						200% 
					 
						输入电阻 Input Impedance 
					 
						385±5Ω 
					 
						电缆线尺寸 Cable Size 
					 
						φ4x 3m 
					 
						电缆线连接方式Wire Connection 
					 
						Ex +  红 Red;   Ex - : 黑 Black; Sig + : 绿 Green; Sig - : 白 White  
					
		
			
				 
			
					 
				
					 
				
					 
				
					 
			
				 
			
					 
				
					 
				
					 
				
					 
			
				 
			
					 
				
					 
				
					 
				
					 
			
				 
			
					 
				
					 
				
					 
				
					 
			
				 
			
					 
				
					 
				
					 
				
					 
			
				 
			
					 
				
					 
				
					 
				
					 
			
				 
			
					 
				
					 
				
					 
				
					 
			
				 
			
					 
				
					 
				
					 
				
					 
			
				 
			
					 
				
					 
				
					 
				
					 
			
				 
			
					 
				
					 
				
					 
				
					 
			
				 
		
	
					 
				
					 
			
 
	
 
其他信息:
如您有其他的需要,如量程、尺寸、安装位置、内置变送器等其他要求,请于我们联系,我们可为您量身定做。
也欢迎您来我司莅临指导。
	
	
上一条:扭矩传感器LT-01
下一条:特殊定制-压式传感器
- 扭矩传感器作用如何,测量范围多少2018-12-03
 - 动态扭矩传感器应用领域2018-11-05
 - 动态扭矩传感器厂家2018-10-29
 - 扭矩传感器的特性及运转流程2018-09-05
 






