产品分类
产品详情您的位置:首页 > 供应产品 > 多轴力传感器 二维力传感器 三维力传感器 > 三轴力传感器LF-303B
 ![]()  | 
						
							
  | 
					
	
 
	
	
产品特点及用途:
	
本产品可以分别测出空间三个方向的受力,具有高灵敏度,相互干扰小等优点。
可应用于铣床磨床加工过程中刀具三个方向受力检测,机器人抛光三轴力的检测。
	
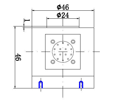
产品量程及尺寸图纸:
	
	
 
	      
 
	    
 
	                                    
 
	
	
产品主要的技术参数:
	
| 
					 量程 Capacity  | 
				
					 X:5/10/20/50kg Y:5/10/20/50kg Z:5/10/20/50/100kg  | 
				
					 材质 Material  | 
				
					 不锈钢Stainless Steel  | 
			
| 
					 输出灵敏度 Rated Output  | 
				
					 1.0±10%mV/V  | 
				
					 输出电阻 Output Impedance  | 
				
					 350(700)± 3Ω  | 
			
| 
					 零点输出 Zero Balance  | 
				
					 ± 2 % F.S.  | 
				
					 绝缘电阻 Insulation  | 
				
					 ≥5000MΩ/100VDC  | 
			
| 
					 非线性 Non-linearity  | 
				
					 1.0% F.S.  | 
				
					 使用电压 Recommended Excitation  | 
				
					 5-10V  | 
			
| 
					 滞后 Hysteresis  | 
				
					 1.0% F.S.  | 
				
					 最大使用电压 Maximum Excitation  | 
				
					 15V  | 
			
| 
					 重复性 Repeatability  | 
				
					 1.0% F.S.  | 
				
					 温度补偿范围 Compensated Temp Range  | 
				
					 - 10 ~ 60 ℃  | 
			
| 
					 蠕变 (30分钟)Creep (30min)  | 
				
					 0.05% F.S.  | 
				
					 工作温度 范围 Operating Temp Range  | 
				
					 - 20 ~ 80 ℃  | 
			
| 
					 温度灵敏度漂移Temp Effect on Output  | 
				
					 0.05% F.S. / 10 ℃  | 
				
					 安全超载 Safe Load Limit  | 
				
					 120%  | 
			
| 
					 零点温度漂移 Temp Effect on Zero  | 
				
					 0.05% F.S. / 10 ℃  | 
				
					 极限超载 Ultimate Load Limit  | 
				
					 200%  | 
			
| 
					 输入电阻 Input Impedance  | 
				
					 350(700)Ω  | 
				
					 电缆线尺寸 Cable Size  | 
				
					 12 Pin Connetor  | 
			
	
	
 
其他信息:
如您有其他的需要,如量程、尺寸、安装位置、内置变送器等其他要求,请于我们联系,我们可为您量身定做。
也欢迎您来我司莅临指导。
	
	
上一条:柱式传感器LF-609
下一条:微型拉压式传感器LFT-F05
- 三维力传感器工作原理介绍2019-08-07
 - 三轴力传感器用于太阳板受力分析2018-07-13
 




